JN338-AF型法兰式转速转矩传感器是为轴向安装空间小、高转速的场合设计的一种新型转矩转速传感器,它的轴向尺寸为35-130mm,法兰轴输出,扭矩测量精度高,转速适用范围广,可动态、静态测量转矩,转速,功率。
产品特点:
1、 电源供电和信号传递为非接触式。
2、 无轴承,转速适用范围广。
3、 与动力轴、负载轴联接为刚性联接。
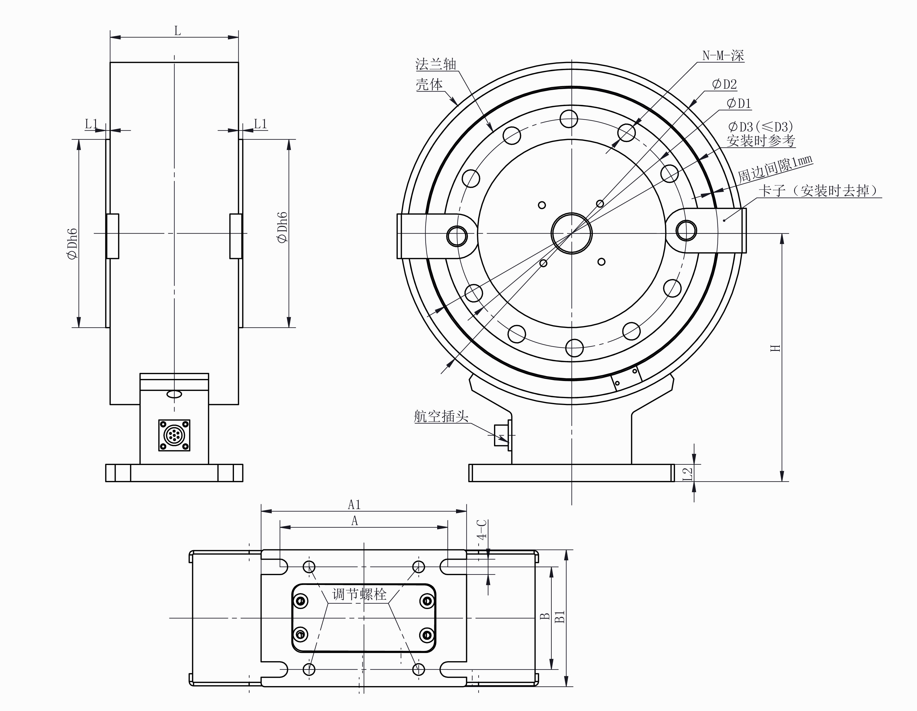
4、 安装调试方便,用户轴的径向跳动小于0.05mm轴向窜动小于0.5mm即可适用,传感器底部调节螺栓可方便调节安装间隙。
5、 该型号有带485总线输出和不带485总线输出两种:标准型不带485口;总线型带485口,电脑USB数据线,带上位机测量软件。
6、 该型号产品出厂前都做动平衡,适合高转速。
型号命名:
JN338- XXXX AF X X
↓ ↓ ↓
量程数字 N可选 D,Z,G三选一
D:齿数60对应0-5000rpm
Z:齿数30对应5000-10000rpm
G:齿数6对应10000-25000rpm
N:通讯方式:RS485/232
技术参数:
1、扭矩不准确度: 0.1-0.5% F·S
2、过载能力: 150%F·S
3、输出型号: TTL方波,频率信号。
4、工作温度: -20~60℃
5、转速准确度:无累积误差
6、齿数:6;30;60
7、零转矩频率输出:10KHz
8、正向转矩满量程频率输出:15KHz
9、反向转矩满量程频率输出: 5KHz
10、供电标准: DC±12V,300mA;
D24V可选(定货需说明)
11、传感器功耗:4W
传感器量程分档:
50Nm 100Nm 200Nm 300Nm 500Nm 700Nm 1000Nm 2000Nm 3000Nm 5000Nm
7000Nm 10000Nm 20000Nm 30000Nm 40000Nm 50000Nm 70000Nm 80000Nm
10万Nm 15万Nm 20万Nm 25万Nm 30万Nm 35万Nm 40万Nm 45万Nm 50万Nm
外形尺寸图:
|
转速
|
>10000
|
5000-10000
|
2000-5000
|
2000以下
|
|
规格
|
|
50-400
|
6齿
|
30齿
|
60齿
|
|
|
500-900
|
6齿
|
30齿
|
60齿
|
|
|
1000-4000
|
6齿
|
30齿
|
60齿
|
|
|
5000-9000
|
-----
|
------
|
60齿
|
|
|
10000-40000
|
-----
|
------
|
|
120齿
|
|
50000-100000
|
|
|
|
120齿
|
|
11万-25万
|
|
|
|
120齿
|
|
26万-50万
|
|
|
|
120齿
|
|
规格(N.M)
|
螺栓预紧力(N.m)
|
|
50-400
|
43
|
|
500-900
|
84
|
|
1000-4000
|
145
|
|
5000-9000
|
365
|
|
1万-4万
|
1220
|
|
5万-10万
|
4150
|
|
11万-25万
|
4150
|
|
26万-50万
|
4150
|
安装要求:
1、 安装时,先将一端的4个螺栓和卡子拆下保存,装上联轴器固定在负载或动力轴伸上;再将另一端的4个螺栓和 卡子拆下保存,装上联轴器,与动力或负载轴固定;旋动4个螺栓顶住底面,保证转子法兰与壳体间隙,左右上下大致均匀,固定底座,检测转动灵活,转速转矩信号正确,即可工作。
2、 传感器安装时转子、定子有方向配合,看内部变压器线圈,转子宽边对应定子宽边,转子窄边对应定子窄边。
产品图片:
应用实例: